Skip to main content
logo

Supported Devices

Device TypeModbus TCP (Ethernet)RS485
Carlo Gavazzi EM24
note

The availability of ethernet and rs485 depends on the exact subtype of EM24 you use.

Image 1

Wiring

The MidTeq EMS and the device communicate via RS485 or Ethernet.

Ethernet

For correct ethernet wiring: Follow the the guidelines for ethernet wiring.

RS485

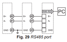
RS485 Wiring
  • For correct RS485 wiring: Follow the guidelines for RS485 wiring.
  • If the wiring shown in the table below is incorrect, please let us know.
  • There is no general consensus in the industry about the usage of A and B for the RS485 polarity, so it may be counterintuitive and opposite of what you might expect for some devices.
DeviceMidTeq EMS model OM1MidTeq EMS model IG8RS485-USB converterRS485-Ethernet converter
Terminal 41 / A- RS485 ARS485_POSRS485 ATX+
Terminal 42 / B+ RS485 BRS485_NEGRS485 BTX-
Terminal 43 / GND RS GNDGNDNot availableG
Image 1

Configuration

Check that the Carlo Gavazzi meter is set to read both import and export power. An unsuitable mode may lead to:

  • Missing readings of feed-in, or
  • Feed-in being counted as offtake (on top of the ‘actual offtake’)

You can set this in the ‘MEASurE’ configuration menu on the energy meter. This should be set to ‘b’.

warning

This setting may not be present on MID certified models (model numbers ending in PFA and PFB).

Image 1
NOTE: RS485 Device Addresses
  • You MUST give each device on the RS485 bus a unique address. Check the manual of the device on how to do this.
  • Use lower addresses first (1, 2, ...) because the MidTeq EMS will find them faster!
  • For each device, it is generally recommended to stick with the factory default baud rate, parity, and stop bits. The MidTeq EMS will scan on those first.

Set the Modbus address through the power meter's “Address” configuration menu.